PA旗舰厅_PA旗舰厅(北京)科技有限公司

CIT-MD系列 比色测温仪

  • 概览
  • 技术参数
  • 应用

image.png

测温范围:200~3500度,分段,可定制


● 比色测量,相比单色测温仪,准确性更高。

● 多种瞄准方式可选:目视光学瞄准、激光点瞄准、视频瞄准

● 螺旋调焦, 并带刻度指示,多种调焦范围(安装距离)可选,能测小目标

● 可不受窗口玻璃影响、测温值不受被测材料辐射率(与材料、及表面光洁度、氧化程度相关)影响

● 测量时目标可不充满测量区域,可以精确测量小目标

● 抗烟雾、水蒸气和灰尘能力强,电源接线全保护,输出全隔离

● 最大值、平均值测温均有两种方式可选

● 整机结实密封,且带环境温度补偿,适于环境条件恶劣的工业现场中使用





主要型号选型表

image.png

技术性能

image.png


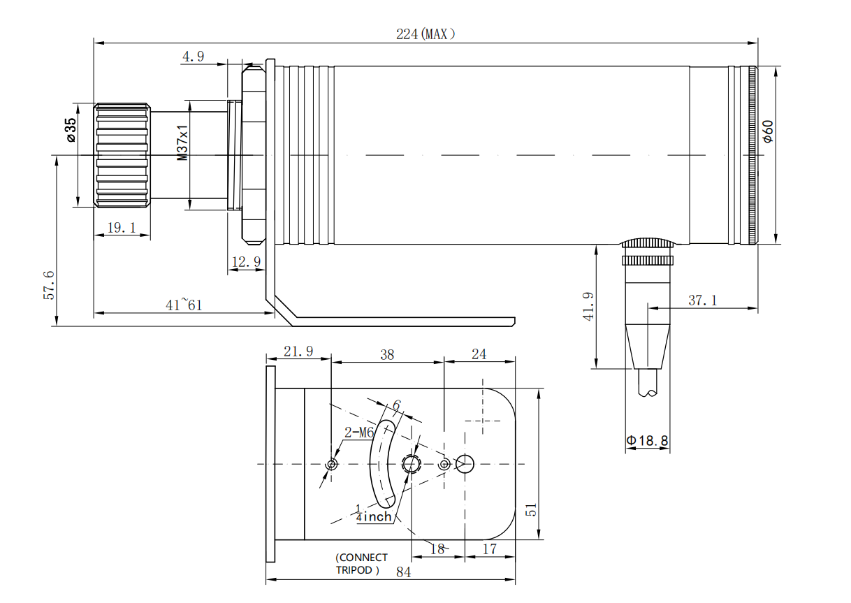
外形尺寸


外形尺寸图.png


管道热处理应用

MD-弯管热处理应用.jpg

PA旗舰厅
  • 网站地图